
MR440AUは、補間機能付きモーションコントロールIC MCX314ALを搭載し、パルス列入力のサーボモータ、またはステッピングモータを位置決め制御できる4軸モーションコントロールユニットです。
各種設定やユーザプログラムを編集/登録するための専用操作ツールを付属しており、作成したユーザプログラムをMR440AUに保存すれば、スタンドアローンで動作させることもできます。
内蔵EEPROMには、各軸最大2000行のユーザプログラム(MR440AU-Dは最大4000行)、またはインデックスドライブ用の位置情報を登録することが可能です。
- ユーザプログラム機能
- 定速・直線加減速(対称)
- スケール機能(pulse、mm、μm、inch対応)
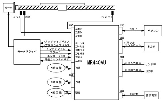
- 汎用入力:16点 汎用出力:16点
- 外形寸法:W155mm×H87mm×D34mm
- 4軸独立・2軸/3軸直線補間・円弧補間・連続補間ドライブ
- 自動原点出し機能
- PCより最大4ユニット、16軸制御可能
- 電源電圧:24V
- 重量:260g
専用操作ツール
MR440AUに対してパソコンから設定、制御を行うための付属ソフト「MR440AU操作ツール」が用意されています。MR440AUとパソコンをUSBケーブルで接続し、操作ツールにてジョク操作やユーザプログラム作成と実行を簡単に行うことができます。
また、シリアル通信コマンドが用意されていますので、お客様が独自にパソコン上で組まれたVBやVCプログラムで直接本体を制御することも可能です。

プログラマブル機能
付属のUSBケーブルをパソコンに接続して、本体内蔵のEEPROM に、各軸の加減速度・ドライブ速度などの動作パラメータと各軸最大2000行(MR440AU-Dは最大4000行)の位置データ(相対値、絶対値指定可能)をプログラムすることができます。
プログラムされた位置データは、パラレルインターフェイスから実行することができます。 また各々の位置データには4種類のドライブ速度の中から1つを指定することができます。ジャンプ、反復、入力条件ジャンプ等のプログラム制御命令も用意されていますので、メモリ効率の高いプログラムを組むことができます。
ユーザプログラムはCSV形式で保存され、CSVでの編集も可能です。
補間機能
2軸/3軸直線補間ドライブ、CW/CCW円弧補間ドライブを行うことができます。また、直線補間→円弧補間→直線補間・・・のように、それぞれの補間を停止しないで連続して行う、連続補間動作も可能です。

パラレル制御インターフェイス
パラレルインターフェイスは、上位PLC (シ-ケンサ)やスイッチなどと接続し、任意位置データを指定の速度で、ドライブ起動できます。またスキャンドライブ、連続ドライブ、プログラム実行などを行なうことができます。



